Contemporary home designs become popular concepts because of their benefits and advantages over other types. Additionally, these designs generally feature a combination of aesthetics and comfort making them eco-friendly. We feature a spectacular modern house plan with concepts showcasing the use of materials assembled with a modern touch and feel. Similarly, incorporating space and comfort gives the house a complete character.
It has always been said that choosing a two-storey house is a smart choice. Yes, it’s absolutely true. In fact, constructing up is sensible because you save the space and utilize it more efficiently. Furthermore, if you opt for a double storey home, you can create separate and private spaces between zones.

Features of a Spectacular Modern House Plan
Definitely, this modern design requires a larger space which will be ideal and functional for a bigger and growing family. Of course, if the space is bigger, there are more options to create more pleasant rooms for healthier living. You will be magnetized by the exterior façade in a fusion of white and grey hues with an accent of maroon shade. As can be seen, the exterior lends a cool and fascinating atmosphere.
Let us identify the brilliant features of this contemporary design.
- inviting elevated porch with decorative battens in maroon color
- L-shaped open balcony in the upper level secured by glass panels
- a pair of sliding glass doors with white-colored decorative bars
- a wall-to-wall and floor-to-ceiling glass window on both floors
- exposed exterior walls with mineral plaster finish in white paint
- prominent cross hip roof assembly with grey tiles and white ceilings
- two-car garage with a concrete flat roof
- outdoor living space for family relaxation
Overall, the house is not embellished with extravagant concepts, but it exudes grace and elegance.

Interior Concepts of Spectacular Modern House Plan
You will be speechless when you see the grace and elegance of the interior design and concepts of this spectacular home design.

A beautiful blend of efficiency and convenience. The living room in white and cream shades floods with brightness from lots of natural light and air that makes the space comfortable

The landing hall with wooden floor planks on the upper level. The space is equally pleasant as the ground floor.

The space is beautiful and sophisticated. The ceiling lights make the space even brighter.

The modern kitchen in white and brown colors features two counters making it more functional to accommodate lots of kitchen functions.

The bathroom is equally graceful that gleams in soft colors of white and grey that offer a pleasant atmosphere.

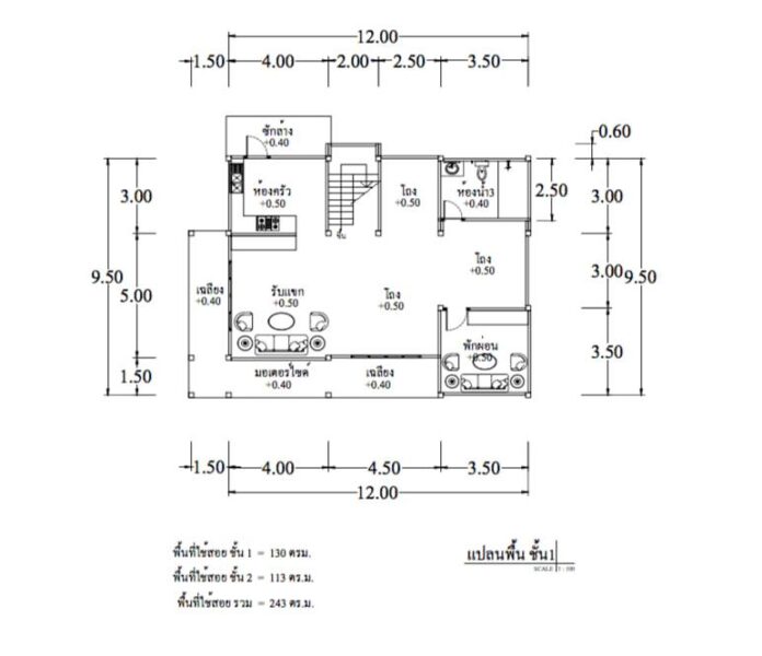
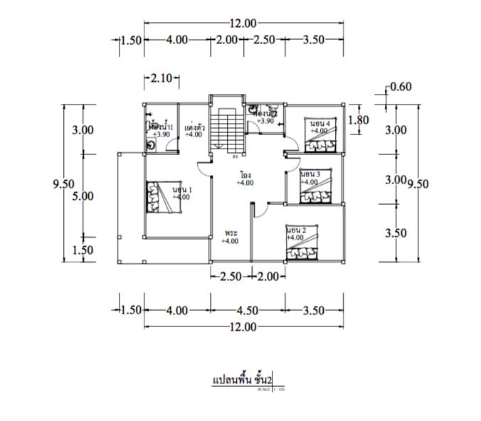
Specifications and Floor Plan of Spectacular Modern House Plan
This stunning house which is beautiful on the outside and inside stands in a lot that measures 12.5 x 9.5 meters with a usable space of 228.0 sq. meters for two floors. The floor plan hosts a porch, balcony, living room, family room, dining area, kitchen, four bedrooms, and three bathrooms.
Undoubtedly, your family will love this home with the living spaces in a free-flowing concept. In fact, the inviting great room is very comfortable with lots of natural light and air penetrating through the glass. With lots of comfort, the space will be perfect for family entertainment.
The ground floor features the living spaces, while the second level hosts the private zone of four bedrooms. The entire ground level hosts the living room and kitchen on opposite corners on the left. Meanwhile, the dining room finds its perfect spot on the right side of the plan.
GROUND FLOOR

The upper floor spreads to four bedrooms and two bathrooms. The spacious master suite with a private and huge walk-in-robe occupies the entire left corner. On the other hand, the secondary bedrooms occupy the right section of the plan. Additionally, there is a balcony on the upper floor that is accessible from the master’s bedroom. Aside from being a perfect space to see the outside panoramic view, this is a great place to relax.
FIRST FLOOR

Meanwhile, the carport of two cars sits comfortably on the immediate left of the terrace.
Indeed. this contemporary home is enticing with its aesthetics and comfort.
Image Credit: Ban Rak
Be the first to comment